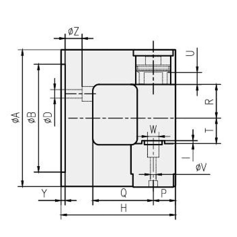
It is used for fully automatic and efficient processing of shaft parts and flange parts with right angles, 45°C, 60°C, 90°C, 120°C and 180°C.
Processing of large quantities of parts with high indexing accuracy such as valve bodies, cross shafts, pipe joints (elbows and tees).
The indexing mechanism is hydraulic type (ensuring strong clamping force and adjustable pressure).
| Availability: | |
|---|---|
| Quantity: | |
KFD
倍得福



