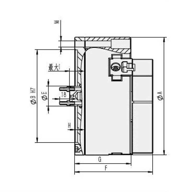
Patented product, short cylindrical connection form.
The chuck is easy to install, and the connection method adopts industry standards. It only needs to be equipped with a flange that matches the chuck. There is no need to modify the machine tool structure. The connection method is the same as that of an ordinary chuck. For specific installation, please refer to the installation instructions.
This chuck is a built-in cylinder with large clamping force, good sealing, high precision, safety, reliability, economy and practicality, and long service life. It is suitable for processing discs, short shafts, gear parts and large-volume products.
| Availability: | |
|---|---|
| Quantity: | |
KS
倍得福

